उत्पादन विस्तार
उत्पादन टैग
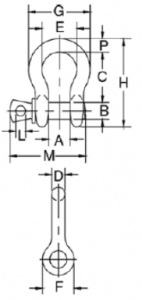
| आकार (मा।) |
डब्ल्यूएलएल (टी) |
वजन (किलो) |
आयाम (मिमी) |
सहिष्णुता +/- |
| एक |
बी |
सी |
डी |
ई |
फा |
जी |
एच |
एल |
एम |
पी |
सी |
एक |
| 3/16 |
0.30 |
0.03 |
9.65 |
6.35 |
22.4 |
4.85 |
15.2 |
14.2 |
24.9 |
37.3 |
4.06 |
28.4 |
4.85 |
1.50 |
1.50 |
| 1/4 |
0.50 |
0.05 |
11.9 |
7.85 |
28,7 |
6.35 |
19.8 |
15.5 |
32.5 |
46,7 |
4.85 |
35.1 |
6.35 |
1.50 |
1.50 |
| 5/16 |
0.75 |
0.09 |
13.5 |
9.65 |
31.0 |
7.85 |
21.3 |
19.1 |
37.3 |
53,0 |
5.60 |
42,2 |
7.85 |
3.30 |
1.50 |
| 3/8 |
1.00 |
0.14 |
16.8 |
11.2 |
36,6 |
9.65 |
26.2 |
23.1 |
45,2 |
63,0 |
6.35 |
51,5 |
9.65 |
3.30 |
1.50 |
| 7/16 |
1.50 |
0.17 |
19.1 |
12.7 |
42,9 |
11.2 |
29.5 |
26.9 |
51,5 |
74,0 |
7.85 |
स्कोर: 60.5 शुद्धता |
11.2 |
3.30 |
1.50 |
| 1/2 |
2.00 |
0.33 |
20.6 |
16.0 |
47,8 |
12.7 |
33,3 |
30.2 |
58.5 |
83.5 |
9.65 |
68,5 |
12.7 |
3.30 |
1.50 |
| 5/8 |
3.25 |
0.62 |
26.9 |
19.1 |
स्कोर: 60.5 शुद्धता |
16.0 |
42,9 |
38,1 |
74,5 |
106 |
11.2 |
85.0 |
17.5 |
6.35 |
1.50 |
| 3/4 |
4.75 |
1.07 |
31.8 |
22.4 |
71,5 |
19.1 |
51.0 |
46,0 |
89,0 |
126 |
12.7 |
101 |
20.6 |
6.35 |
1.50 |
| 7/8 |
6.50 |
1.64 |
36,6 |
25,4 |
84,0 |
22.4 |
58,0 |
53,0 |
102 |
148 |
12.7 |
114 |
24,6 |
6.35 |
1.50 |
| 1 |
8.50 |
2.28 |
42,9 |
28,7 |
95.5 |
25,4 |
68,5 |
स्कोर: 60.5 शुद्धता |
119 |
167 |
14.2 |
129 |
26.9 |
6.35 |
1.50 |
| 1-1 / 8 |
9.50 |
3.36 |
46,0 |
31.8 |
108 |
29.5 |
74,0 |
68,5 |
131 |
190 |
16.0 |
142 |
31.8 |
6.35 |
1.50 |
| 1-1 / 4 |
12.0 |
4.31 |
51,5 |
35.1 |
119 |
32.8 |
82.5 |
76,0 |
146 |
210 |
17.5 |
156 |
35.1 |
6.35 |
1.50 |
| 1-3 / 8 |
13.5 |
6.14 |
57,0 |
38,1 |
133 |
36.1 |
92,0 |
84,0 |
162 |
233 |
19.1 |
174 |
38,1 |
6.35 |
3.30 |
| 1-1 / 2 |
17.0 |
7.80 |
स्कोर: 60.5 शुद्धता |
41.4 |
146 |
39.1 |
98.5 |
92,0 |
175 |
254 |
20.6 |
187 |
41,1 |
6.35 |
3.30 |
| 1-3 / 4 |
25.0 |
12.6 |
73,0 |
51.0 |
178 |
46,7 |
127 |
106 |
225 |
313 |
25,4 |
231 |
57,0 |
6.35 |
3.30 |
| 2 |
35.0 |
20.4 |
82.5 |
57,0 |
197 |
53,0 |
146 |
122 |
253 |
348 |
31.0 |
263 |
61,0 |
6.35 |
3.30 |
| 2-1 / 2 |
55,0 |
38,9 |
105 |
70,0 |
267 |
69,0 |
184 |
145 |
327 |
453 |
35.1 |
330 |
79.5 |
6.35 |
6.35 |
| 3 |
85.0 |
- |
130 |
80.0 |
325 |
80.0 |
210 |
165 |
365 |
- |
- |
- |
- |
6.35 |
6.35 |
| 3-1 / 2 |
120 |
- |
145 |
95.5 |
410 |
95,0 |
215 |
198 |
419 |
- |
- |
- |
- |
6.35 |
6.35 |
| नोट: अधिकतम प्रमाण लोड 2 पटक काम लोड सीमा, न्यूनतम परम बल 4 पटक काम लोड सीमा छ |

अघिल्लो: हुक चरखी ब्लक एकल
अर्को: 320C अमेरिकी TYPE आँखा हुक